ログインされると在庫状況及び販売価格がご確認できます。

WG PCクーラーキャップ 107型 筒長内部用

商品番号
311268
商品型番
参考価格 (税込)
902 円
税率
10%

※が商品番号に付いているものは軽減税率対象商品です。

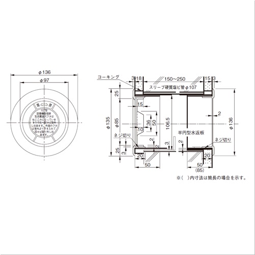
[サイズ]筒外径:φ106.5、外径:φ135
[本体重量]150g
[材質]ABS
[色]ホワイトグレー

●適用パイプ:VU100 107×114

備考

代表画像を表示しています。

Order

注文単位:
  個