ログインされると在庫状況及び販売価格がご確認できます。

SUSクーラーキャップ 100SCP-MG

商品番号
311302
商品型番
参考価格 (税込)
1,793 円
税率
10%

※が商品番号に付いているものは軽減税率対象商品です。

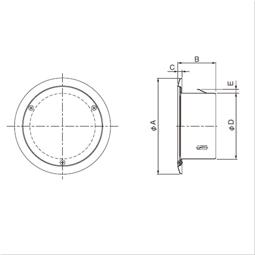
[サイズ]A:141、B:56、C:6、D:97、E:5.5
[重量]141g
[材質]SUS304
[仕上げ]粉体塗装+アクリル焼付塗装(メタリックグレー色)
[適用パイプ]SU100 100×106

購入に関する注意事項

・更にサビに強いカチオン電着塗装+アクリル焼付塗装(311-327)に切り替えとなりました。詳細はお問い合わせください。

ご注意

・取付ダクトは、ねじれ・変形のないこと、また壁仕上り面まで施工されていることを予めご確認ください。
・本製品を取り付ける前に、必ずダクト内の清掃を行ってください。
・防水処理に使用するシーリング剤は、施工後の経年劣化によるひび割れなどで隙間を生じさせないためにも、酸化性のものを避け柔軟性を保つものをご使用ください。

Order

注文単位:
  個