ログインされると在庫状況及び販売価格がご確認できます。

リードレール 50-S 2430

商品番号
153312
商品型番
参考価格 (税込)
23,320 円
税率
10%

※が商品番号に付いているものは軽減税率対象商品です。

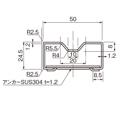
[サイズ]厚み1.2mm、L2430mm
[本体重量]2.8kg
[付属品]戸車 DPM-0452 ※付属戸車個数はレールの長さによります。
[材質]SUS304
[仕上]ヘアーライン

●備考:幅50片引用、戸車 2 個付

【ご注意】レール取付方法:(1)レールを裏返して、モルタルを空間ができないように注意し、十分に流し込んで半乾きになるまで待ってください。(2)レール据付位置に敷モルタルをし、あらかじめモルタルを流し込み湿った状態で定位置へ正確に据付けてください。(3)レール据付の際には水平を必ずとって、ていねいに行ってください。レールの据付け以前に裏面にモルタルを充填しておき、正確に取付けてください。木製堅枠との組合わせ方法は、ご要求により異なりますので、設計上の長さ寸法が決定してから指示してください。

購入に関する注意事項

【要別途送料】別途送料が必要な商品です。詳細は営業へお問合せください。

Order

注文単位:
  本