ログインされると在庫状況及び販売価格がご確認できます。

愛ぼうくん 32型 7050 右 AW

商品番号
453902
商品型番
参考価格 (税込)
22,330 円
税率
10%

※が商品番号に付いているものは軽減税率対象商品です。

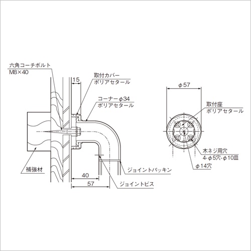
多用途にご利用いただけるL型手すりです。
BL認定品です。

[サイズ]径φ34mm、A700mm、B500mm
[本体重量]1.5kg
[付属品]SUS六角コーチボルト8×40:3本
平座金:3枚
ばね座金:3枚
位置決め補助・保護シート:3枚
[材質]SUS304・軟質塩ビ
[仕上]軟質塩ビ被膜
[耐荷重]60kgf
[色]アイボリーホワイト

購入に関する注意事項

代表画像を表示しています。

ご注意

・施工時に使用する接着剤・塗料など(仕上げ材及び下地材に使用する合板類)については、低ホルムアルデヒドのものか含まないものをお選びください。
・ユニットバスにご使用の際はゴムパッキンが必要です。オプションで用意しています。
・特注サイズにて製作可能です。

Order

注文単位:
  台