ログインされると在庫状況及び販売価格がご確認できます。

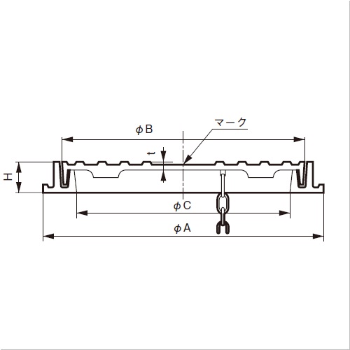
FRPマンホール MK-PAO 500

商品番号
611918
商品型番
参考価格 (税込)
26,070 円
税率
10%

※が商品番号に付いているものは軽減税率対象商品です。

防水ボルトロックタイプも製作可能です。
盗難防止用クサリはオプションです。
防臭型、防水型、破壊荷重4000kg用等も製作可能です。
マークも製作可能です。
軽荷重用マンホールです。
防水タイプ(ゴム付)です。

[サイズ]620x620x51mm
[本体重量]11800g
[材質]FRP

●耐荷重:500kgf

【ご注意】色をご指示ください。納期:受注生産となります。

Order

注文単位:
  枚