JavaScriptを有効にしてご利用下さい
ログインされると在庫状況及び販売価格がご確認できます。
※が商品番号に付いているものは軽減税率対象商品です。
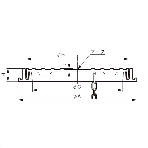
防水ボルトロックタイプも製作可能です。 盗難防止用クサリはオプションです。 防臭型、防水型、破壊荷重4000kg用等も製作可能です。 マークも製作可能です。 軽荷重用マンホールです。 防水タイプ(ゴム付)です。 [サイズ]550x550x47mm [本体重量]9800g [材質]FRP ●耐荷重:500kgf 【ご注意】色をご指示ください。納期:受注生産となります。
本サービスにおける利便性の向上、利用分析のためにcookieを利用しています。詳しくは「プライバシーポリシー」をご確認ください。