ログインされると在庫状況及び販売価格がご確認できます。

SUSワンちゃんフック HN型

商品番号
242290
商品型番
参考価格 (税込)
5,500 円
税率
10%

※が商品番号に付いているものは軽減税率対象商品です。

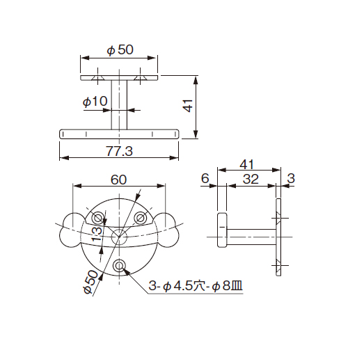
[本体重量]130g
[付属品]SUS十字穴付皿タッピンネジM4×50:3本
[材質]ZDC
[仕上]粉体塗装
[耐荷重]100kgf

特長

・ほねをモチーフにした可愛らしいデザインの愛犬のリードロープを一時的につないでおけるフックです。
・T型形状により、ロープが外れにくい仕様となっております。

ご注意

・大型犬のご利用はご遠慮ください。

Order

注文単位:
  個