ログインされると在庫状況及び販売価格がご確認できます。

穴無し研磨 SUS角屋根マンホール 1-600

商品番号
246263
商品型番
参考価格 (税込)
147,400 円
税率
10%

※が商品番号に付いているものは軽減税率対象商品です。

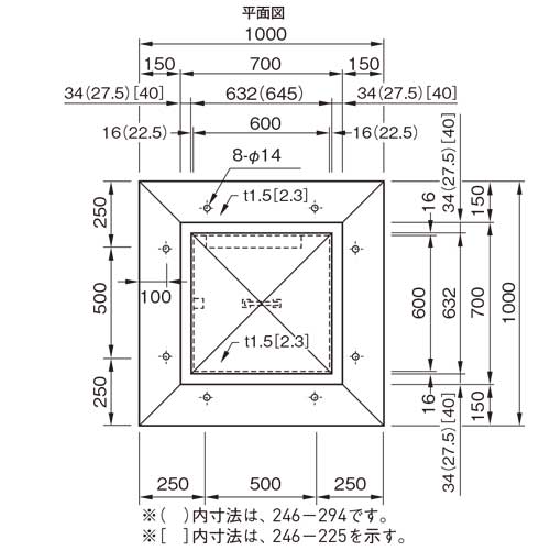
[サイズ]1000×1000×1.5mm
[本体重量]20kg
[材質]SUS304
[仕上]研磨
[備考]穴なし

購入に関する注意事項

【要別途送料】別途送料が必要な商品です。詳細は営業へお問合せください。
・ボルト貫通用穴なし、アンカー・溶接用アングル付です。
・代表画像を表示しています。

ご注意

・ジンクロの場合は、耐候性向上のため仕上げ塗装をしてください。
・アンカーボルト(φ13、L=260)はナット締付け後、雨水が内部にしみ込まないように、接合部をコーキングまたは溶接してください。(枠とナット部分、及びナットとアンカーボルト部分)

Order

注文単位:
  台