ログインされると在庫状況及び販売価格がご確認できます。

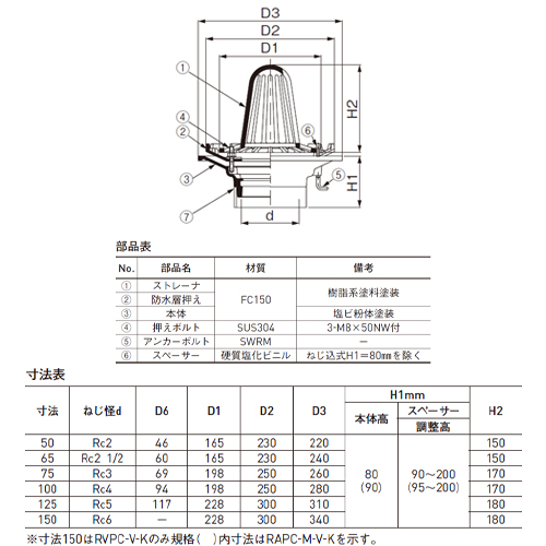
DKC RVPC-V-K 75 (H90〜200)

商品番号
721573
商品型番
参考価格 (税込)
32,560 円
税率
10%

※が商品番号に付いているものは軽減税率対象商品です。

[本体重量]4.7kg
[材質]FC150
[仕上]樹脂系塗装

購入に関する注意事項

メーカー直送の運賃は、物量とお届け先住所により変動します。詳細は担当の営業所へお問合せください。

特長

・屋上において、雨水が集中するルーフドレインは雨仕舞いの要所です。
・防水材メーカーによると塩ビシート防水施工において塩ビ素材同士を溶着することが、最も信頼性高いとのことです。
・防水材メーカーと協同にて鋳鉄製本体に塩ビ被膜を施したルーフドレインを開発しました。
・塩ビ被覆コートは流動浸漬粉体塗装です。

ご注意

・防水層施工貼り代は、50mmです。
・縦型(たて口排水用)・横型(よこ口排水用)共に形状違いのストレ-ナもあります。お問い合わせください。

Order

注文単位:
  個