ログインされると在庫状況及び販売価格がご確認できます。

スチールエッジ SED-150 L1800

商品番号
631813
商品型番
参考価格 (税込)
15,290 円
税率
10%

※が商品番号に付いているものは軽減税率対象商品です。

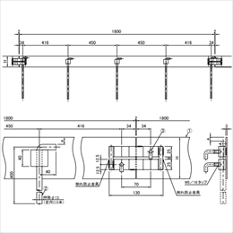
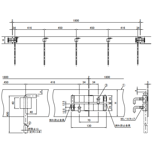
[材質]SS400
[備考]樹脂系塗料塗装(固定金具:電気亜鉛めっき)
[サイズ]L=1800、H=150mm
[セット質量]9.2kg
[対応最小R]1000mm
[amm]
アンカー部:規格42、最大52
連結部:規格34、最大81

特長

・舗装用見切り材です。
・連結部に倒れ防止機能を追加しました。
・熱膨張等を考慮し、つなぎ目に2mmのスキマをとってあります。
・アンカー打込孔はエッジの倒れ防止のためきつくしてあります。

ご注意

・対応最小Rは定尺の場合の数値です。
・最小R以下の場合は曲げ加工が必要となります。
・a寸法=エッジ天端からアンカー頭までの寸法。
・打ち込みアンカーおよび固定金具はスチールエッジに付属のものをご使用ください。

Order

注文単位:
  本