ログインされると在庫状況及び販売価格がご確認できます。

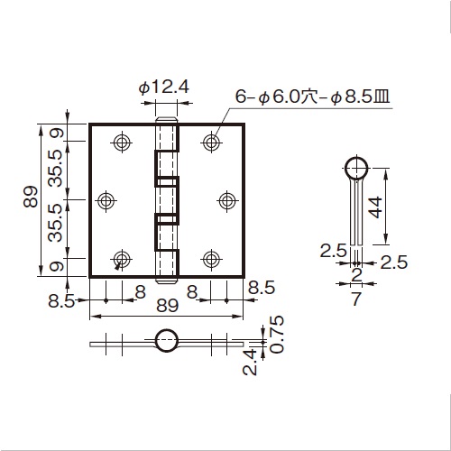
SUS義星丁番 89x89x2.5 2つリング入

商品番号
126235
商品型番
参考価格 (税込)
1,958 円
税率
10%

※が商品番号に付いているものは軽減税率対象商品です。

一般木製、アルミ出入口扉にご使用いただけます。

[サイズ]表記による
[本体重量]222g
[付属品]SUS十字穴付皿木ネジ:4.1×25:6本
[材質]SUS304
[仕上]ヘアーライン

●耐荷重(2枚使用時):24kgf

備考

代表画像を表示しています。

Order

注文単位:
  枚