JavaScriptを有効にしてご利用下さい
ログインされると在庫状況及び販売価格がご確認できます。
※が商品番号に付いているものは軽減税率対象商品です。
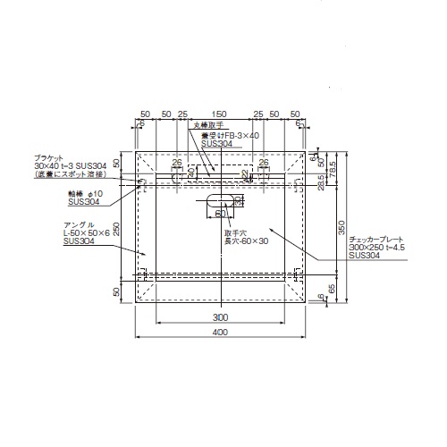
[サイズ]400x350x50mm [本体重量]16700g [材質]SUS304 [仕上]アングル:ヘアーライン 丸棒:ピーリング 【ご注意】日本下水道事業団A-01-1該当品です。運搬諸経費は別途お問い合わせください。納期:受注生産となります。
本サービスにおける利便性の向上、利用分析のためにcookieを利用しています。詳しくは「プライバシーポリシー」をご確認ください。