ログインされると在庫状況及び販売価格がご確認できます。

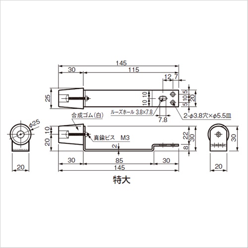
SUS公団戸当り 特大

商品番号
162880
商品型番
参考価格 (税込)
1,089 円
税率
10%

※が商品番号に付いているものは軽減税率対象商品です。

[サイズ]表記による
[本体重量]80g
[付属品]SUS十字穴付皿木ネジ 2.7×16:3本
[材質]SUS304
[仕上]ヘアーライン

【ご注意】木ネジは本体と同色となります。合成ゴムは白色です。

Order

注文単位:
  個