ログインされると在庫状況及び販売価格がご確認できます。

鉄角型屋根マンホール 500角

商品番号
246224
商品型番
参考価格 (税込)
77,000 円
税率
10%

※が商品番号に付いているものは軽減税率対象商品です。

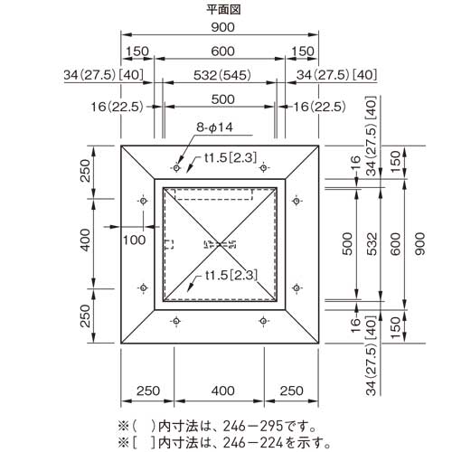
[サイズ]900×900×2.3mm
[本体重量]23kg
[材質]スチール
[仕上]電気亜鉛メッキ(ジンクロ)

購入に関する注意事項

【要別途送料】別途送料が必要な商品です。詳細は営業へお問合せください。
・代表画像を表示しています。

ご注意

・ジンクロの場合は、耐候性向上のため仕上げ塗装をしてください。
・アンカーボルト(φ13、L=260)はナット締付け後、雨水が内部にしみ込まないように、接合部をコーキングまたは溶接してください。(枠とナット部分、及びナットとアンカーボルト部分)

Order

注文単位:
  台