ログインされると在庫状況及び販売価格がご確認できます。

メーター点検口 300角

商品番号
451213
商品型番
参考価格 (税込)
25,300 円
税率
10%

※が商品番号に付いているものは軽減税率対象商品です。

ワンタッチ平面ハンドル付(鍵付)です。

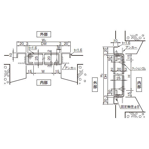
[サイズ]H300×W300mm
[外寸法]H2:370×W2:370mm
[本体重量]2.6kg
[材質]溶融亜鉛メッキ鋼板
[仕上]サッシプライマー
[吊元]右

特長

・枠込み25mmタイプです。
・ワンタッチ平面ハンドル付(鍵付)です。

ご注意

・左吊元使用の場合は点検口を上下逆にし、次に平面ハンドルをはずして反対に取り付けます。
・ワンタッチ平面ハンドルMKS-05K 小鍵のみ(451-255)もお求めになれます。
・扉取外し可能タイプ(脱着タイプ)も別注にて製作可能です。詳細はお問い合わせください。
・壁点検口以外の使用は避けてください。(ストッパーや補強は付いておりません)
・もし雨掛りに設置する場合は、庇等を設けてください。

Order

注文単位:
  枚