ログインされると在庫状況及び販売価格がご確認できます。

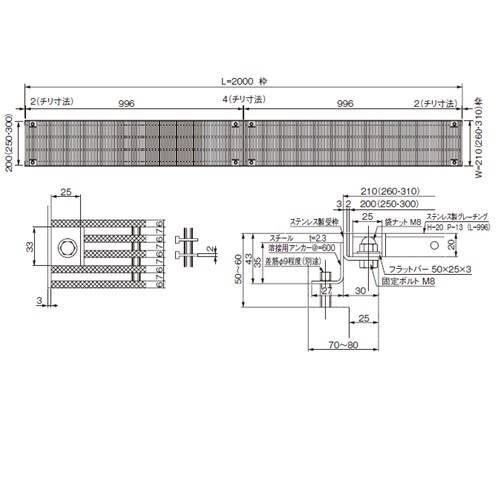
枠付 エレベーター出入口グレーチング 200

商品番号
618018
商品型番
参考価格 (税込)
132,000 円
税率
10%

※が商品番号に付いているものは軽減税率対象商品です。

・耐荷重500kgf/平方メートル

[サイズ]200mm×2000L
[材質]SUS304
[仕上げ]酸洗

購入に関する注意事項

・運搬諸経費は別途お問い合わせください。
・納期:ご確認ください。

ご注意

・機構(公団)住宅AE-122、公共住宅E-112該当品です。
・セットに付属する枠は二方枠になります。

Order

注文単位:
  組