ログインされると在庫状況及び販売価格がご確認できます。

中部 ステン フロアーハッチ Pタイル用 MS-1-WLP600 ハンドル付

商品番号
434196
商品型番
参考価格 (税込)
54,560 円
税率
10%

※が商品番号に付いているものは軽減税率対象商品です。

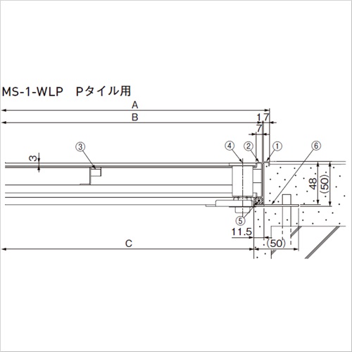
[仕様] Pタイル充填
[材質]ステンレス
[仕上げ]ヘア-ライン
[サイズ]A600、B584、C565mm
[耐荷重]357kgf/m2
[備考]ハンドル付

購入に関する注意事項

画像は代表画像を示す

特長

・蓋と枠の嵌合部にゴムパッキンを装着し、さらに専用ボルトにより、密閉性を向上したボルトロック施錠式のフロアーハッチです。
・防水、防臭に優れたタイプです。
・開閉には専用鍵ハンドルを使用します。

Order

注文単位:
  台