ログインされると在庫状況及び販売価格がご確認できます。

エクセレントフード DS-150TED-C FD付

商品番号
314052
商品型番
参考価格 (税込)
17,930 円
税率
10%

※が商品番号に付いているものは軽減税率対象商品です。

・止水性能が大変優れています。
・外風の逆流が非常に少なく安定的な換気ができるため、省エネの一環になります。

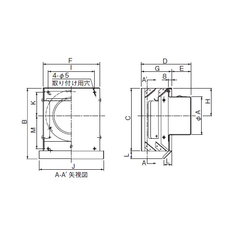
[品番/呼称]DS-150TED-C
[サイズ]A:147、B:245、C:220、D:172、E:74、F:197、G:98、H:100、I:170、J:217、K:110
[材質]ステンレス、カチオン電着+シルバー焼付塗装
[仕様]FD付

購入に関する注意事項

・特別塗装は別途加算となりますのでご注意ください。

ご注意

・塩害地区にご使用の際は別途特別塗装を推奨しております。詳しくはお問い合わせください。
・FD付、防虫網付商品はメンテナンスができる場所にて使用してください。
・FD付の100・150は特定防火設備該当品です。
・防火ダンパー:公称作動温度72℃が標準です。120℃をお求めの場合はお問い合わせください。
・別注にて色指定による塗装も対応できます。ご指示がない場合はツヤ有りとなります。
・125、175、225、300サイズも製作可能です。お問い合わせください。

Order

注文単位:
  個